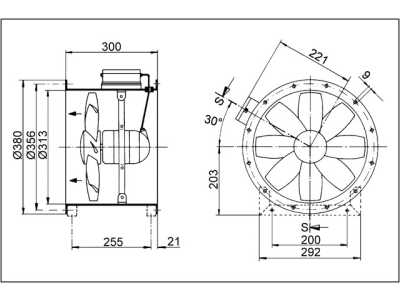
Ventiliatorius vamzdinis 300mm 1760m3/val. 66dB(A) 400V 95W IP64 DZR 30/4 B Ex e - MAICO
Produkto informacija
- Papildoma informacija:
- Energijos sunaudojimas 95 kW
- Korpuso medžiaga Plienas
- Oro tūris 1760 m³/h
- Apsaugos klasė IP IP64
- Kanalo plotis 424 mm
- Kanalo aukštis 424 mm
- Skirtas „Ex“ zonai su dujomis 1 2
- Apsaugos nuo dujų sprogimo kategorija ATEX apsauga nuo dujų sprogimo 2G kategorija
- Temperatūros klasė (pagal 94/9/EB direktyvą) T3
Dokumentai
Visi vaizdai













