Ventiliatorius vamzdinis 250mm 980m3/val. 65dB 400V 130W IP64 DZR 25/4 B Ex e - MAICO
Produkto informacija
- Papildoma informacija:
- Energijos sunaudojimas 38 kW
- Korpuso medžiaga Plienas
- Oro tūris 980 m³/h
- Apsaugos klasė IP IP64
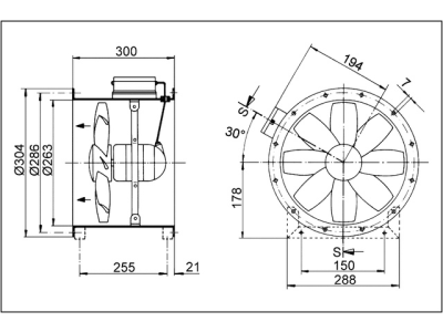
- Kanalo plotis 372 mm
- Kanalo aukštis 372 mm
- Skirtas „Ex“ zonai su dujomis 1 2
- Apsaugos nuo dujų sprogimo kategorija ATEX apsauga nuo dujų sprogimo 2G kategorija
- Temperatūros klasė (pagal 94/9/EB direktyvą) T3
Dokumentai
Visi vaizdai













