Ventiliatorius vamzdinis 1050m3/val. 80dB 400V 65W DZR 20/2 B EX e IP64 - MAICO
Produkto informacija
- Papildoma informacija:
- Energijos sunaudojimas 65 kW
- Korpuso medžiaga Plienas
- Oro tūris 1050 m³/h
- Apsaugos klasė IP IP64
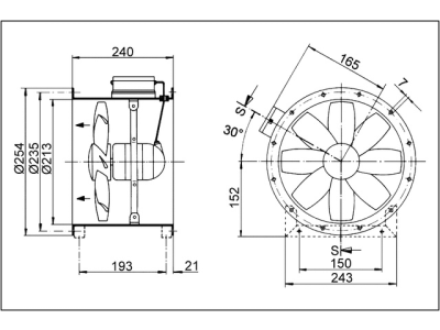
- Kanalo plotis 317 mm
- Kanalo aukštis 317 mm
- Skirtas „Ex“ zonai su dujomis 1 2
- Apsaugos nuo dujų sprogimo kategorija ATEX apsauga nuo dujų sprogimo 2G kategorija
- Temperatūros klasė (pagal 94/9/EB direktyvą) T4
Dokumentai
Visi vaizdai













