Saugiklis 80A gR NH00C U-N ultragreitas - ETI
Produkto informacija
- Papildoma informacija:
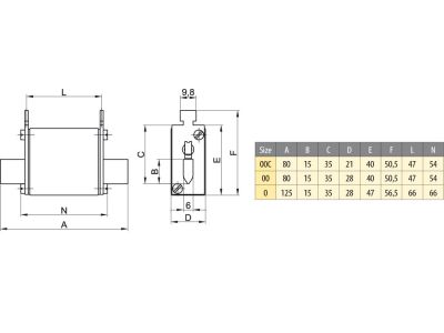
- Dydis NH000
- Nominali srovė 80 A
- Nominali įtampa 690 V
- Saugiklio būklės indikatoriaus tipas Viršutinio saugiklio būsenos indikatorius
- Įtampos tipas Kintamoji srovė
- Nominali perjungimo galia 50 kA
- Utilizacijos kategorija gR (bendros paskirties puslaidininkių apsauga)
Dokumentai
Visi vaizdai














