Relė tarpinė 4co 6A 230V AC su lizdu RCMKIT-I 230VAC 4CO LD - WEIDMULLER
Produkto informacija
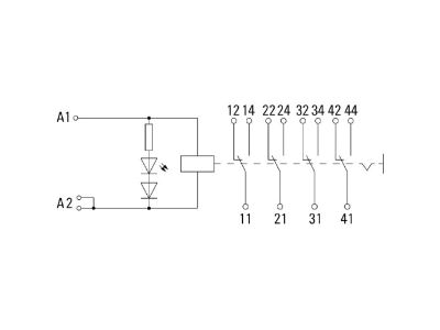
- Pajungimo tipas Varžtinis sujungimas
- Valdymo įtampa Us 50 Hz AC 207 - 253
- Valdymo įtampa Us 60 Hz AC 207 - 253
- Darbinės įtampos tipas Kintamoji srovė
- Veikimo poliarizacija Be poliškumo
- Pavaros perjungimo režimas Stabilus
- Perjungimo kontaktų skaičius 4
- Kontaktų tipas Paprastas kontaktas
- Su lizdu Taip
- Su LED indikacija Taip
- Apsaugos klasė IP IP20
- Plotis 27.2 mm
- Aukštis 77 mm
- Gylis 78.3 mm
Visi vaizdai













