Perjungiklis 3P 80A 0-1 CS 80 10 U LK - ETI
Produkto informacija
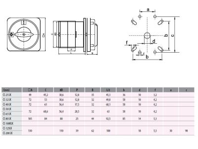
- Modelis Jungiklis
- Polių skaičius 3
- Srovė Iu 80 A
- Darbinė galia kai AC-3 400 V 32 kW
- Valdymo elemento tipas Sukamas mygtukas (rankenėlė)
- Kontaktų jungties tipas Varžtinis sujungimas
Dokumentai
Visi vaizdai













