Kirtiklis 4P 25A SV 425 - ETI
Produkto informacija
- Papildoma informacija:
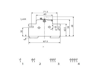
- Maks. darbinė įtampa Ue AC 400 V
- Srovė Iu 25 A
- Trumpojo jungimo srovė 2 kA
- Įrenginio konstrukcija Sumontuoto prietaiso fiksuoto montavimo technika
- Valdymo elemento tipas Valdymo svirtis/svirtelė
- Kontaktų jungties tipas Rėmelio tvirtinimas
- Priekinės dalies apsaugos klasė IP IP20
- Polių skaičius 4
Dokumentai
Visi vaizdai

























