Kirtiklis 3P 25A SV 325 - ETI
Produkto informacija
- Papildoma informacija:
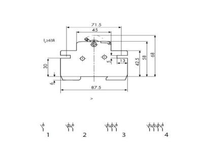
- Maks. darbinė įtampa Ue AC 400 V
- Srovė Iu 25 A
- Trumpojo jungimo srovė 2 kA
- Įrenginio konstrukcija Sumontuoto prietaiso fiksuoto montavimo technika
- Valdymo elemento tipas Valdymo svirtis/svirtelė
- Kontaktų jungties tipas Rėmelio tvirtinimas
- Priekinės dalies apsaugos klasė IP IP20
- Polių skaičius 3
Dokumentai
Visi vaizdai


![Vamzdis gofruotas D25/19.1 320N/5cm pilkas su viela be halogenų EVOEL FL-0H SMART [50m] - EVOPIPES](http://www.elektrobalt.lt/media/catalog/product/cache/7888551f115de3283626dc1fd984180e/p/i/pim-173758.png)
![Dėžutė v/t [85x85x37] IP55 tuščia balta be halogenų 2K-12-L/w - SPELSBERG](http://www.elektrobalt.lt/media/catalog/product/cache/7888551f115de3283626dc1fd984180e/p/i/pim-111555.jpg)






























