Kirtiklis 3P 16A SV 316 - ETI
Produkto informacija
- Papildoma informacija:
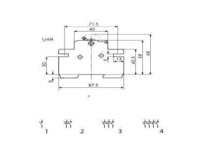
- Maks. darbinė įtampa Ue AC 400 V
- Srovė Iu 16 A
- Trumpojo jungimo srovė 2 kA
- Įrenginio konstrukcija Sumontuoto prietaiso fiksuoto montavimo technika
- Valdymo elemento tipas Valdymo svirtis/svirtelė
- Kontaktų jungties tipas Rėmelio tvirtinimas
- Priekinės dalies apsaugos klasė IP IP20
- Polių skaičius 3
Dokumentai
Visi vaizdai





![Rinkinys laikiklių skydui GT UW-GT 150 [rinkinyje 4 vnt.] - ETI](http://www.elektrobalt.lt/media/catalog/product/cache/7888551f115de3283626dc1fd984180e/p/i/pim-1039926.jpg)




























