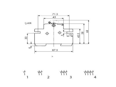
Kirtiklis 3P 125A SV 3125 - ETI
Produkto informacija
- Papildoma informacija:
- Maks. darbinė įtampa Ue AC 400 V
- Srovė Iu 125 A
- Trumpojo jungimo srovė 4 kA
- Įrenginio konstrukcija Sumontuoto prietaiso fiksuoto montavimo technika
- Valdymo elemento tipas Valdymo svirtis/svirtelė
- Kontaktų jungties tipas Rėmelio tvirtinimas
- Priekinės dalies apsaugos klasė IP IP20
- Polių skaičius 3
Dokumentai
Visi vaizdai


![Dėžutė v/t [85x85x37] IP55 tuščia balta be halogenų 2K-12-L/w - SPELSBERG](http://www.elektrobalt.lt/media/catalog/product/cache/7888551f115de3283626dc1fd984180e/p/i/pim-111555.jpg)





![Kanalas montažinis 60x80 pilkas LK4 N 60080 [2m] - OBO BETTERMANN](http://www.elektrobalt.lt/media/catalog/product/cache/7888551f115de3283626dc1fd984180e/p/i/pim-173597.jpg)

























