Kirtiklis 3P 100A SV 3100 - ETI
Produkto informacija
- Papildoma informacija:
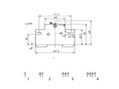
- Maks. darbinė įtampa Ue AC 400 V
- Srovė Iu 100 A
- Trumpojo jungimo srovė 4 kA
- Įrenginio konstrukcija Sumontuoto prietaiso fiksuoto montavimo technika
- Valdymo elemento tipas Valdymo svirtis/svirtelė
- Kontaktų jungties tipas Rėmelio tvirtinimas
- Priekinės dalies apsaugos klasė IP IP20
- Polių skaičius 3
Dokumentai
Visi vaizdai


































