Kirtiklis 1P 63A SV 163 - ETI
Produkto informacija
- Papildoma informacija:
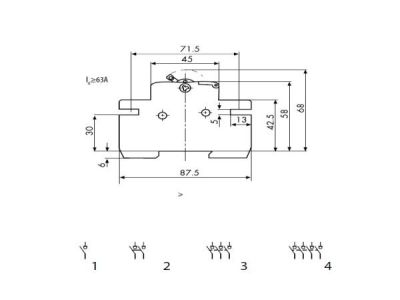
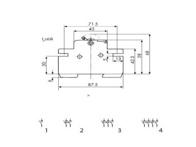
- Maks. darbinė įtampa Ue AC 230 V
- Srovė Iu 16 A
- Trumpojo jungimo srovė 4 kA
- Įrenginio konstrukcija Sumontuoto prietaiso fiksuoto montavimo technika
- Valdymo elemento tipas Valdymo svirtis/svirtelė
- Kontaktų jungties tipas Rėmelio tvirtinimas
- Priekinės dalies apsaugos klasė IP IP20
- Polių skaičius 1
Dokumentai
Visi vaizdai




![Kabelis (N)YM-J 3x2.5mm2 300/500V Eca klasė [Ritė po 100m] - NKT](http://www.elektrobalt.lt/media/catalog/product/cache/7888551f115de3283626dc1fd984180e/p/i/pim-1333745.jpg)

![Kabelis (N)YM-J 3x1.5mm2 300/500V Eca klasė [Ritė po 100m] - NKT](http://www.elektrobalt.lt/media/catalog/product/cache/7888551f115de3283626dc1fd984180e/p/i/pim-1333744.jpg)



























