Kirtiklis 1P 25A SV 125 - ETI
Produkto informacija
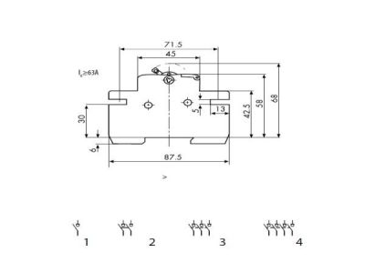
- Papildoma informacija:
- Maks. darbinė įtampa Ue AC 230 V
- Srovė Iu 25 A
- Trumpojo jungimo srovė 2 kA
- Įrenginio konstrukcija Sumontuoto prietaiso fiksuoto montavimo technika
- Valdymo elemento tipas Valdymo svirtis/svirtelė
- Kontaktų jungties tipas Rėmelio tvirtinimas
- Priekinės dalies apsaugos klasė IP IP20
- Polių skaičius 1
Dokumentai
Visi vaizdai


![Vamzdis gofruotas D32/24.3 750N/5cm juodas FFKU-EM-F-UV [25m] - FRANKISCHE](http://www.elektrobalt.lt/media/catalog/product/cache/7888551f115de3283626dc1fd984180e/p/i/pim-173705.jpg)








![Kabelis (N)YM-J 3x1.5mm2 300/500V Eca klasė [Ritė po 100m] - NKT](http://www.elektrobalt.lt/media/catalog/product/cache/7888551f115de3283626dc1fd984180e/p/i/pim-1333744.jpg)























