Automatas 3P 160A 16kA EB2S 160/3LF (be reguliavimo) - ETI
Produkto informacija
- Papildoma informacija:
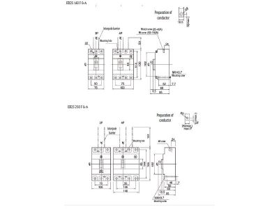
- Srovė Iu 160 A
- Nominali trumpojo jungimo atjungimo geba kai Icu 400V 50Hz 16 kA
- Kontaktų jungties tipas Varžtinis sujungimas
- Įrenginio konstrukcija Sumontuoto prietaiso fiksuoto montavimo technika
- Valdymo elemento tipas Valdymo svirtis/svirtelė
- Apsaugos klasė IP IP20
- Polių skaičius 3
Dokumentai
Visi vaizdai

















