Apsauga viršįtampių 3P+N C 20kA 2 tipo su signaliniais kontaktais V20-3+NPE+FS-280 - OBO BETTERMANN
Produkto informacija
- TN tinklo tipas Taip
- TN-C-S tinklo tipas Taip
- TN-S tinklo tipas Taip
- IT tinklo tipas Taip
- Išlydžio srovė (8/20) 20 kA
- Maksimali iškrovimo srovė (8/20) 40 kA
- Įtampa AC 230 V
- Maks. įtampa AC 280 V
- Įtampos apsaugos lygis 1.3 kV
- Įtampos apsaugos lygis L-N 1.3 kV
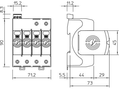
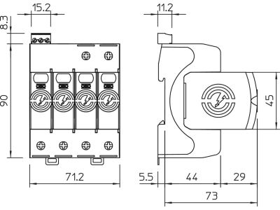
- Montavimo būdas Din bėgelis 35mm
- Dydis 4 Moduliai
- Monolitinio laidininko maks. skerspjūvis 35 mm²
- Lankstaus laidininko maks. skerspjūvis 35 mm²
- Signalizavimas įrenginyje Optika
- 2 tipas Taip
- Apsaugos klasė IP IP20
Dokumentai
Visi vaizdai













