Apsauga viršįtampių 3P+N B+C 12.5/50kA 1+2 tipo su signaliniu kontaktu V50-3+NPE+FS-280 - OBO BETTERMANN
Produkto informacija
- TN tinklo tipas Taip
- TN-C-S tinklo tipas Taip
- TN-S tinklo tipas Taip
- IT tinklo tipas Taip
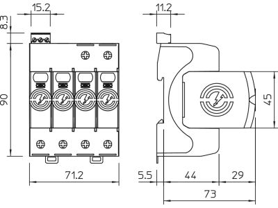
- Polių skaičius 4
- Žaibo impulso srovė (10/350 µs) 12.5 kA
- Maks. įtampa AC 280 V
- Įtampa AC 230 V
- Įtampos apsaugos lygis 1.3 kV
- Įtampos apsaugos lygis L-N 1.3 kV
- Tolesnės srovės nuslopinimo galimybė 0.1 kA
- Montavimo būdas Din bėgelis 35mm
- Dydis 4 Moduliai
- Monolitinio laidininko maks. skerspjūvis 35 mm²
- Lankstaus laidininko maks. skerspjūvis 35 mm²
- Signalizavimas įrenginyje Optika
- Apsaugos klasė IP IP20
Dokumentai
Visi vaizdai













